2BV2060 2BV2061 2BV2070 2BV2071 2BV5110 2BV5111 2BV5121 2BV5131 2BV5161 2BV6110 2BV6111 2BV6121 2BV6131 2BV6161水环真空泵是单级泵,整体结构,同轴泵。带轴封的机械密封具有结构简单、安装简便、无油、安全可靠的特点。2BV2060 2BV2061 2BV2070 2BV2071 2BV5110
赢咖7极悦2BV2060 2BV2061 2BV2070 2BV2071 2BV5110 2BV5111 2BV5121 2BV5131 2BV5161 2BV6110 2BV6111 2BV6121 2BV6131 2BV6161水环真空泵是单级泵,整体结构,同轴泵。带轴封的机械密封具有结构简单、安装简便、无油、安全可靠的特点。
2BV2060 2BV2061 2BV2070 2BV2071 2BV5110 2BV5111 2BV5121 2BV5131 2BV5161 2BV6110 2BV6111 2BV6121 2BV6131 2BV6161水环真空泵适用于抽气体和潮湿蒸汽,其吸入压力可达33mbar绝对压力和97真空度。当2BV水环真空泵的吸入压力长期低于80mbar时,应接入汽蚀保护管保护泵。如果配有大气喷射器,2BV水环真空泵的吸气压力可以达到10mbar,喷射器可以直接安装在真空泵的吸气口上。用作压缩机时,其压力可达0.26MPa绝对压力。
2BV系列水环真空泵和压缩机广泛应用于石油、化工、制药、食品、制糖工业等领域。在工作过程中,气体压缩过程是等温的,因此在压缩和吸入易燃易爆气体时不容易发生爆炸,因此其应用更加广泛。
BV水环真空泵适用于抽气体和水蒸汽,吸入压力可达33mbar绝对压力和97真空度。当变压器油作为工作流体时,称为油环真空泵。吸气压力可达6.7mbar绝对压力,真空度99.3,完全可以替代往复式真空泵。当液环真空泵在吸入压力接近极限真空的条件下长期工作时,应连接气蚀保护管,以保护泵和消除气蚀声。用作压缩机时,其最大压力为0.26MPa绝对压力。用作压缩机时,2BV的泵功率会随着排气压力的增加而增加。订购时,应注明排气压力,以选择合适的电机功率。
水环真空泵作为新一代节能产品,以其优异的性能和诸多优点,将完全取代SK、2SK系列水环真空泵和W、WY、WL系列活塞式真空泵。
赢咖7极悦 2BV2-Ex和2BV6系列水环真空泵 u002f压缩机主要用于抽出爆炸性气体,工作在各种易燃易爆环境中,其性能参数与2BV2和2BV5系列相同。
2BV系列不锈钢真空泵可用于各种耐腐蚀和洁净度要求高的场合。根据工况条件,2BV系列不锈钢真空泵的所有过流部件:泵体、泵盖、圆盘、叶轮均可选用SUS3040Cr18Ni9和SUS3160。
Cr17Ni12Mo2、SUS316L00Cr17Ni14Mo2等不锈钢材料,泵轴材料:2Cr13或0Cr18Ni12Mo2Ti。
The水环真空泵的机械密封采用进口产品,密封可以是氟橡胶或聚四氟乙烯。
与SK、2SK、SZ等国内同类型水环真空泵相比,2BV2060 2BV2061 2BV2070 2BV2071 2BV5110 2BV5111 2BV5121 2BV5131 2BV5161 2BV6110 2BV6111 2BV6121 2BV6131 2BV6161水环真空泵具有以下特点:
2BV水环真空泵采用同轴直连设计,节省空间,安装方便。
2BV2060 2BV2061 2BV2070 2BV2071 2BV5110 2BV5111 2BV5121 2BV5131 2BV5161 2BV6110 2BV6111 2BV6121 2BV6131 2BV6161水环真空泵均标配进口机械密封。
2BV水环真空泵都配有气蚀保护管接口。如果它们在极端压力下工作,打开汽蚀保护管接口或与分离器连接,可以在最大限度保证吸入效果的同时,消除汽蚀噪音,保护泵。
铝青铜叶轮具有较高的强度和耐久性,提高了2BV水环真空泵的耐腐蚀性能。如果过流元件由不锈钢制成,它可以在更恶劣的环境中工作。
独特的柔性排气口设计不会产生过度压缩,确保2BV水环真空泵在其性能范围内具有最佳效率。
赢咖7极悦Y2系列电机全部采用,IP54、IP55防护等级一般为IP44。
2BV水环真空泵全部采用NTN或NSK进口轴承。
2BV水环式真空泵的主要应用领域 | |||
真空过滤 | (化学制品过滤厂,化学制品处理厂,铁矿厂,采矿业,磷肥厂,造纸厂,家禽加工厂,选煤厂) | 蒸汽回收 | (蒸馏器,装卸站) |
水泵引水 | (自来水厂) | ||
冷凝器水箱补水 | (电站) | ||
真空蒸馏 | (牛奶厂,食品厂,化工厂,纸浆厂) | 烘干 | (化工、医药制造业) |
真空消毒 | (医院,医务室,实验室) | 木材处理/干燥 | |
挤出成型 | (塑料行业) | 医药/实验室真空 | |
成型 | (塑料,聚乙烯,橡胶,轮胎等制造业) | 溶剂回收 | |
浸渍 | (食品加工,木器加工,纺织厂,胶合板厂,电线杆的制造等) | 土壤净化 | |
真空包装 | |||
液体脱气 | (食品加工,水软化,瓶装厂) | 萃取 | |
压缩空气再生 | (纸浆,钢铁,汽车,玻璃,化工) | 制革 | |
食品加工 | (食品加工厂,牛奶厂) | 罐装 | |
赢咖7极悦2BV2060 2BV2061 2BV2070 2BV2071 2BV5110 2BV5111 2BV5121 2BV5131 2BV5161 2BV6110 2BV6111 2BV6121 2BV6131 2BV6161水环真空泵型号参数数据
产品型号 | 极限压力 Mbar(Pa) | 最大气量 M3/min | 功 率 KW | 转 速 Rpm | 水耗量 L/min | 噪 声 dB(A) | 重 量 Kg |
2BV-2060 | 33(3300) | 0.45立方/分 | 1.1 | 2880 | ~2 | 62 | 20 |
2BV-2061 | 33(3300) | 0.87立方/分 | 1.5 | 2880 | ~2 | 65 | 22 |
2BV-2070 | 33(3300) | 1.33立方/分 | 2.35 | 2880 | ~2.5 | 66 | 31 |
2BV-2071 | 33(3300) | 1.83立方/分 | 3.85 | 2880 | ~4.2 | 72 | 42 |
2BV-5110 | 33(3300) | 2.75立方/分 | 4 | 1450 | ~7 | 63 | 78 |
2BV-5111 | 33(3300) | 3.83立方/分 | 5.5 | 1450 | ~8.5 | 68 | 100 |
2BV-5121 | 33(3300) | 4.68立方/分 | 7.5 | 1450 | ~10 | 69 | 145 |
2BV-5131 | 33(3300) | 6.68立方/分 | 11 | 1450 | ~15 | 73 | 165 |
2BV-5161 | 33(3300) | 8.3立方/分 | 15 | 970 | ~20 | 74 | 252 |
2BV-6110 | 33(3300) | 2.75立方/分 | 4 | 1450 | ~7 | 63 | 107 |
2BV-6111 | 33(3300) | 3.83立方/分 | 5.5 | 1450 | ~8.5 | 68 | 142 |
2BV-6121 | 33(3300) | 4.68立方/分 | 7.5 | 1450 | ~10 | 69 | 198 |
2BV-6131 | 33(3300) | 6.68立方/分 | 11 | 1450 | ~15 | 73 | 238 |
2BV-6161 | 33(3300) | 8.3立方/分 | 15 | 970 | ~20 | 74 | 350 |

赢咖7极悦如图1所示,2BV2060 2BV2061 2BV2070 2BV2071 2BV5110 2BV5111 2BV5121 2BV5131 2BV5161 2BV6110 2BV6111 2BV6121 2BV6131 2BV6161水环真空泵的叶轮3偏心安装在泵体内,启动时向泵内注入一定高度的水。因此,当叶轮3旋转时,水受到离心力的作用,在泵体内壁上形成旋转的水环1,水环的下内表面与轮毂相切,按箭头方向旋转。2BV型水环真空泵的水环内表面在前半转过程中逐渐与轮毂分离,从而与叶轮叶片之间的水环形成一个封闭的空间。随着叶轮的转动,在后半转过程中,水环的内表面逐渐靠近轮毂,叶片之间的空间逐渐缩小,空间气体的压力上升。当压力高于排气口的压力时,叶片之间的气体从圆盘排气口排出。这样叶轮每转一次,叶片之间的空间吸一次排气一次,很多空间保持工作,这样2BV水环真空泵就不断地吸或压气体。
2BV2060 2BV2061 2BV2070 2BV2071 2BV5110 2BV5111 2BV5121 2BV5131 2BV5161 2BV6110 2BV6111 2BV6121 2BV6131 2BV6161水环真空泵工作时产生热量,会加热工作水环。同时,部分水和气体被排放到外围。因此,在工作过程中,必须不断向泵供水,以冷却和补充泵内消耗的水,从而满足2BV2060 2BV2061 2BV2070 2BV2071 2BV5110 2BV5111 2BV5121 2BV5131 2BV5161 2BV6110 2BV6111 2BV6121 2BV6131 2BV6161水环真空泵的工作要求。
赢咖7极悦 当不再使用从2BV水环真空泵排出的气体时,气水分离器连接到2BV水环真空泵的排气口。废气和部分水排入气水分离器后,气水分离,气体从排气管排出,剩余的水通过回水管供给泵。
赢咖7极悦继续用。随着工作时间的延长,工作水的温度会不断升高。这时就需要从供水管中供给冷水,以降低工作水的温度,保证泵能达到要求的技术要求和性能指标。
赢咖7极悦 2BV水环真空泵和压缩机的工作原理图
图。2BV水环真空泵及压缩机工作原理图
2BV2060 2BV2061 2BV2070 2BV2071 2BV5110 2BV5111 2BV5121 2BV5131 2BV5161 2BV6110 2BV6111 2BV6121 2BV6131 2BV6161水环真空泵作为压缩机使用时,泵的出口接一个气水分离器,气水混合物进入气水分离器后自动分流。气体通过排气管输送到所需系统,工作水通过分离器进入2BV水环真空泵。压缩气体时,工作水温度极高,水会从泵出口排出,温度变高。供水管会持续供应冷水补充排出的水,同时起到冷却作用,使工作水温不会太高,从而保证压缩机性能、达能技术指标和全流程要求。


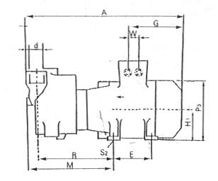
赢咖7极悦2BV-2060/2061/2070/2071水环真空泵外形尺寸
| A | B | B1 | H1 | H2 | H3 | H4 | H6 | E | P2 | P3 | R | M | S2 | W1 | W2 | W3 | d | N3.0 | N4.2 | N8.7 | |
| 2BV-2060 | 455 | 186 | 140 | 90 | 118 | 126 | 195 | 37.5 | 100 | 250 | 180 | 217 | 244 | Φ10 | 110 | 26 | 21 | G1″ | G3/8″ | G1/4″ | G3/8″ |
| 2BV-2061 | 476 | 186 | 140 | 90 | 118 | 195 | 195 | 37.5 | 100 | 250 | 180 | 236 | 263 | Φ10 | 110 | 26 | 21 | G1″ | G3/8″ | G1/4″ | G3/8″ |
| 2BV-2070 | 545 | 223 | 160 | 222 | 100 | 128 | 222 | 33 | 140 | 270 | 203 | 252 | 280 | Φ12 | 110 | 33 | 27 | G1 | G3/8″ | G1/4″ | G3/8″ |
| 2BV-2071 | 566 | 223 | 234 | 140 | 112 | 140 | 234 | 45 | 190 | 300 | 225 | 278 | 309 | Φ12 | 110 | 33 | 37 | G1 | G3/8″ | G1/4″ | G3/8″ |



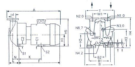
| A | B | B1 | B2 | C1 | C2 | H1 | H2 | H3 | H4 | H5 | H6 | H7 | F | K | L | N | T | S1 | S2 | d1 | d2 | d3 | d4 | d5 | W1 | |
| 2BV5110 | 637 | 325 | 255 | 190 | 41 | 26 | 140 | 156 | 202 | 361 | 328 | 38 | 57 | 464 | 320 | 130 | 92 | 340 | Φ12 | Φ12 | 19 | 160 | 123 | 97 | 52 | 180 |
| 2BV5111 | 672 | 325 | 265 | 290 | 38 | 26 | 150 | 166 | 212 | 371 | 363 | 48 | 68 | 500 | 325 | 130 | 92 | 340 | Φ12 | Φ12 | 19 | 160 | 123 | 97 | 52 | 180 |
| 2BV5121 | 771 | 347 | 265 | 290 | 36 | 26 | 150 | 167 | 217 | 385 | 363 | 39 | 60 | 584 | 410 | 147 | 97 | 382 | Φ12 | Φ12 | 19 | 182 | 142 | 113 | 67 | 200 |
| 2BV5131 | 840 | 377 | 300 | 335 | 35 | 30 | 175 | 194 | 249 | 427 | 435 | 53 | 76 | 659 | 440 | 147 | 103 | 382 | Φ12 | Φ12 | 19 | 182 | 142 | 113 | 67 | 200 |
| 2BV5161 | 1044 | 479 | 370 | 389 | 52 | 30 | 210 | 225 | 303 | 521 | 485 | 51 | 80 | 808 | 570 | 201 | 138 | 450 | Φ15 | Φ15 | 22 | 200 | 156 | 130 | 80 | 250 |
| W2 | W3 | d(N1.0,N2.0) | N3.0 | N4.2 | N8.7 | |
| 2BV5110 | 52 | 27 | DN50/2″ | G3/4″(丝长24) | G3/8″(丝长25) | G3/8″(丝长11) |
| 2BV5111 | 52 | 27 | DN50/2″ | G3/4″(丝长24) | G3/8″(丝长25) | G3/8″(丝长11) |
| 2BV5121 | 57 | 29 | DN65/2″ | G3/4″(丝长24) | G3/8″(丝长25) | G3/8″(丝长11) |
| 2BV5131 | 63 | 32 | DN65/2″ | G3/4″(丝长24) | G3/8″(丝长25) | G3/8″(丝长11) |
| 2BV5161 | 81 | 41 | DN80/3″ | G3/4″(丝长24) | G3/8″(丝长25) | G3/8″(丝长11) |



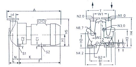
| Amax | B | B1 | C1 | F1 | F2max | H1 | H2 | H3 | H4 | H6 | H7 | K | L | N | |
| 6110 | 1097 | 330 | 255 | 26 | 291 | 446 | 160 | 173 | 223 | 381 | 58 | 77 | 319 | 319 | 281 |
| 6110 | 1190 | 330 | 255 | 26 | 291 | 540 | 160 | 173 | 223 | 381 | 58 | 77 | 319 | 319 | 281 |
| 6111 | 1291 | 330 | 279 | 26 | 360 | 500 | 180 | 196 | 242 | 401 | 78 | 97 | 349 | 349 | 311 |
| 6121 | 1332 | 351 | 279 | 26 | 361 | 540 | 180 | 197 | 247 | 415 | 69 | 90 | 384 | 384 | 340 |
| 6131 | 1525 | 382 | 320 | 26 | 461 | 615 | 215 | 234 | 287 | 467 | 93 | 116 | 405 | 405 | 353 |
| 6161 | 1680 | 484 | 320 | 26 | 461 | 705 | 230 | 230 | 310 | 526 | 56 | 85 | 477 | 477 | 413 |
| W1 | W2 | W3 | S1 | T | d1 | d2 | d3 | d4 | d5 | d(N1.0, N2.0) | N3.0 | N4.2 | N8.7 | |
6110 | 180 | 52 | 27 | Φ13×23 | 340 | 19 | 160 | 123 | 97 | 52 | DN50/2″ | ″DN15+G3/4″(丝长24) | G3/8″(丝长25) | G3/8″(丝长11) |
6110 | 80 | 52 | 27 | Φ13×23 | 340 | 19 | 160 | 123 | 97 | 52 | DN50/2″ | ″DN15+G3/4″(丝长24) | G3/8″(丝长25) | G3/8″(丝长11) |
| 6121 | 200 | 57 | 29 | Φ13×23 | 382 | 19 | 182 | 142 | 113 | 67 | DN60/21/2″ | ″DN15+G3/4″(丝长24) | G3/8″(丝长25) | G3/8″(丝长11) |
| 6131 | 200 | 63 | 29 | Φ13×27 | 382 | 19 | 182 | 142 | 113 | 67 | DN60/21/2″ | ″DN15+G3/4″(丝长24) | G3/8″(丝长25) | G3/8″(丝长11) |
| 6161 | 250 | 81 | 41 | Φ13×27 | 450 | 22 | 200 | 156 | 130 | 80 | DN80/3″ | ″DN15+G3/4″(丝长24) | G3/8″(丝长25) | G3/8″(丝长11) |